Large Diameter Ultrasonic Water Meter
User portrait
Automatically analyze users' water usage habits, form regular curves, and accurately identify user water usage patterns in various flow ranges
High efficiency
Low power consumption design ensures long-term operation
Long service life, reducing unplanned maintenance costs and improving management efficiency
Abnormal alarm
Overload flow alarm, constant current alarm, battery under voltagee alarm, reverse flow and tampering alarm,abnormal consumption alarm ...
Installation
Installation at any angle
Insensitive to magnetic fields and prevents electromagnetic interfeprence
Accurate measurement to reduce waste:
Ensure that every drop of water is used rationally, thereby reducing unnecessary waste
Low energy design:
Not only extends the service life of the meter, but also helpsto reduce the carbon footprint and achieve true green metering
Smart management:
Help water utilities to achieve smart management, further improveefficiency and reduce resource waste
Promote green and low-carbon technology:
Continuous research and innovation, aiming to promote thewater supply industry to a more green and low-carbon direction
| Technical characteristic | Technical characteristic |
| Nominal Diameter DN(mm) | DN50~DN100 |
| Flow Range (Q3/Q1) | R250/R500 |
| Accuracy Class | Class 2 |
| Maximum Admissible Pressure(MPa) | 1.6MPa |
| Pressure Loss(kPa) | △p25 |
| Ambient Temperature | -25℃ ~ 55℃ |
| Temperature Class | T30/T50 |
| Flow Profile Sensitivity | U503 |
| Display | LCD display, 10 digits + prompt |
| Display Content | Cumulative flow (m³/h), instantaneous flow (m³/h), water temperature (℃), date (month/day), clock (hour/minute/second), software version |
| Display Resolution | Cumulative flow rate 0.001m³, instantaneous flow rate 0.001m³/h, water temperature 0.01℃ |
| Communication | LoRaWAN/LoRaNB-IoT |
| Data Storage | EEPROM is used to store the accumulated flow and accumulated operation time, and the data can be saved after power failure for 100 years |
| Working Power Supply | Battery powered DC3.6V (battery can work continuously for more than 10 years) |
| Protection Class | IP68 |
| Climate And Mechanical Environmental Class | O |
| Electromagnetic Compatibility Class | E2 |
| Nominal pipe diameter | starting flow rate (m³/h) | Minimum flow rate Q₁ (m³/h) | Boundary flow rate Q₂ (m³/h) | Common flow rate Q₃ (m³/h) | Overload flow Q₄ (m³/h) |
|---|---|---|---|---|---|
| DN50 | 0.015 | 0.080 | 0.128 | 40 | 50 |
| DN65 | 0.025 | 0.126 | 0.202 | 63 | 78.75 |
| DN80 | 0.037 | 0.200 | 0.320 | 100 | 125 |
| DN100 | 0.057 | 0.320 | 0.512 | 160 | 200 |

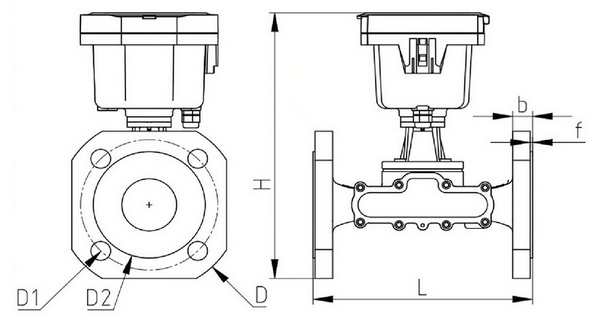
| Nominal pipe diameter | Outside diameter D | Flange hole D1 | Sealing surface D2 | Length L | Height H | Flange hole specification | Sealing surface f | Flange thickness b |
|---|---|---|---|---|---|---|---|---|
| DN50 | Φ165 | Φ125 | Φ102 | 200 | 262 | 4×Φ18 | 3 | 18 |
| DN65 | Φ185 | Φ145 | Φ122 | 200 | 278 | 4×Φ18 | 3 | 18 |
| DN80 | Φ200 | Φ160 | Φ138 | 225 | 300 | 8×Φ18 | 3 | 20 |
| DN100 | Φ220 | Φ180 | Φ158 | 250 | 317 | 8×Φ18 | 3 | 20 |